产品名称: BxxyyS-1WR/2WR系列(包含B0505S-1W)
产品特点:
效率高达90%
隔离 1000VDC
功率密度高
低纹波噪声
待机功耗低
无需外加元件
国际标准引脚
SIP封装非稳压单输出
工作温度范围:-40℃~+85℃
UL94V-0 阻燃封装
可持续短路保
应用范围:
BxxyyS-1WR/2WR系列产品是专门针对线路板上分布式电源系统中需要输入与输出隔离应用场合而设计,该产品适用于:
◆ 输入电源电压变化要求≤±10%。
◆ 输入与输出之间要求隔离电压≤1000VDC。
◆ 对输出电压精度及纹波噪声要求不高等场合。
|
产品型号
|
输入电压范围
(标称值)
|
输入电流-满载(mA)
|
输出电压(v)
|
输出电流(mA)
|
效率(%)
|
最大容性负载(uF)
|
|
|
|
Min.
|
Max.
|
|
Min.
|
Max.
|
|
|
|
B0505S-1WR
|
4.5~5.5 VDC
( 5 VDC )
|
25
|
256
|
5.0V
|
20
|
200
|
80%
|
3000uF
|
|
B0512S-1WR
|
|
|
256
|
12.0V
|
8
|
83
|
88%
|
470uF
|
|
B0515S-1WR
|
|
|
256
|
15.0V
|
7
|
67
|
90%
|
470uF
|
|
B0524S-1WR
|
|
|
253
|
24.0V
|
4
|
42
|
909%
|
220uF
|
|
B0505S-2WR
|
4.5~5.5VDC
( 5 VDC)
|
40
|
494
|
5.0V
|
40
|
400
|
85%
|
2000uF
|
|
B0512S-2WR
|
|
|
476
|
12.0V
|
17
|
167
|
90%
|
470uF
|
|
B0515S-2WR
|
|
|
471
|
15.0V
|
13
|
133
|
90%
|
220uF
|
|
B0524S-2WR
|
|
|
465
|
24.0V
|
8
|
83
|
91%
|
220uF
|
产品尺寸图:
PCB布板图:
BxxyyS-1WR/2WR
格子: 2.54*2.54mm.
引脚直径: 0.5mm
一般偏差 : 0.20mm
引脚功能表:
单位:mm
端子长度偏差:0.2mm.
温度降额曲线图:
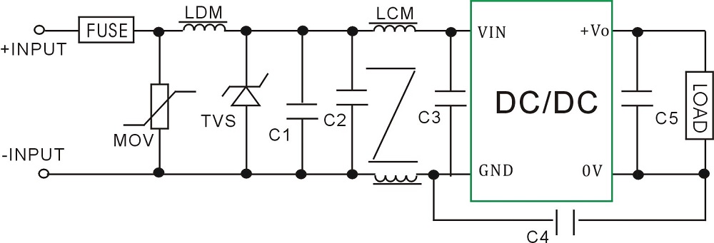
EMC推荐电路:
EMC应用推荐电路:
 
|